Byers, J.A. 1981c. Versatile electronic timer for synchronous switching of multiple electrical devices. Behavior Research Methods and Instrumentation 13:381-383.

Abstract-- An electronic timer consisting of CMOS integrated circuits is described that synchronously switches multiple electrical devices on and off on either circadian or noncircadian cycles. Precision is attained to within 16.7 msec when used at the highest speed (60 Hz). The electronic timer is useful for behavioral studies, control of environmental chambers, and control of general laboratory appliances.

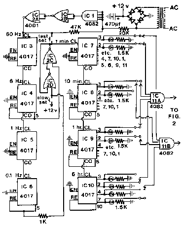
Fig. 1, Byers 1981 Figure 1. Electronic timer for synchronous control of multiple electrical devices. The timer will operate at 50 Hz (European) by connecting RE of IC 4 to pin 1 instead of pin 6 as shown.

Fig. 2, Byers 1981 Figure 2. Circuit controlled by timer for switching dc- (A) or ac- (A and B) powered devices.

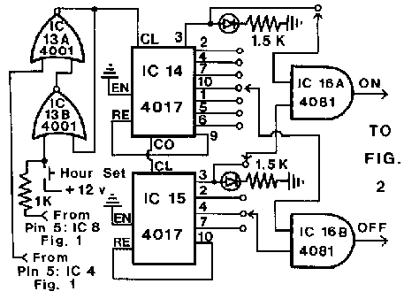
Fig. 3, Byers 1981 Figure 3. Noncircuidian photoperiod timer (32 h as shown). Connection of inputs of IC 16 to outputs of ICs 14 and 15 determine the photoperiod (20 H light/12 h dark, as shown). A 32-day timer can be achieved by connecting the 1 K Ohm resistor of IC 13B to pin 10 of IC 10 from Figure 1. Timers of 2 to 100 h or days can be achieved by utilizing all 10 outputs of each decade counter (see paper for details).
Chemical Ecology