duff temperatures of Norway spruce forest
Byers, J.A. 1984a. Electronic multiprobe thermometer and multiplexer for recording temperatures of microenvironments in the forest litter habitat of bark beetles (Coleoptera: Scolytidae). Environmental Entomology 13:863-867.

Abstract-- An electronic integrated-circuit thermometer with multiple probes (3 by 4 by 5 mm each) is described and was used to measure temperatures at the surface and at several depths in the forest litter of Norway spruce, Picea abies (L.) Karst., throughout 3 days in spring. The temperatures at the various depths were recorded on a single-pen recorder/voltmeter by means of a multiplexing circuit which in turn connected each of 4 or more sensor probes to the amplifying circuit and pen recorder for a specific amount of time. This scanning time per probe can be adjusted from 1 s to about 1 h. The possible effects of temperature in the forest litter on the survival and flight initiation of bark beetles (Coleoptera: Scolytidae), especially Ips typographus (L.), during their spring swarming is discussed.
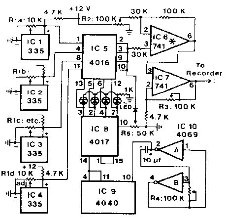
Fig. 1, Byers 1984 Fig. 1 - Schematic of multiprobe thermometer and multiplexing circuit. *ICs 6 and 7 each have +12 V at pin 7 and -12 V at pin 4 so a dual-polarity ±12 V power supply that is regulated is required (Carr, J. 1978, How to design and build power supplies. Popular Electronics (May):61-64.). ICs 5 and 10 have +12 V at pin 14 and ground at pin 7. Pins 5, 9, 11, and 13 of IC 10, pins 8 and 13 of IC 8, and pin 8 of IC 9 are connected to ground; pins 16 of ICs 8 and 9 are connected to +12 V.
List of components:
resistors, 0.25 watt, (1) 1 K Ohm, (5) 4.7 K Ohm, (2) 30 K Ohm, (1) 100 K Ohm; potentiometers, (4) 10 K Ohm trimmer, (1) 50 K Ohm, (2) 100 K Ohm, (1) 10-turn 100 K Ohm (R2); capacitors, (1) 10 µf; diodes, (1) IN4001, (2) red (1) yellow (1) green LEDs; integrated ciruits, linear, (4) LM335, (2) LM741; COS/MOS, (1) CD4016, (1) CD4017, (1) CD4040, (1) CD4069.

Chemical Ecology