Byers, J.A., & Unkrich, M.A. 1983. Electronic light intensity control to simulate dusk and dawn conditions. Annals of the Entomological Society of America 76:556-558.

Abstract-- Simulation of sunrise and sunset light conditions is achieved with an electronic light intensity control using DC- or AC-powered incandescent lamps. The duration of the sunrise and sunset is easily adjusted and the photoperiod is controlled with a standard 24-h timer. The light intensity control is especially useful for behavioral studies of crepuscular insects.
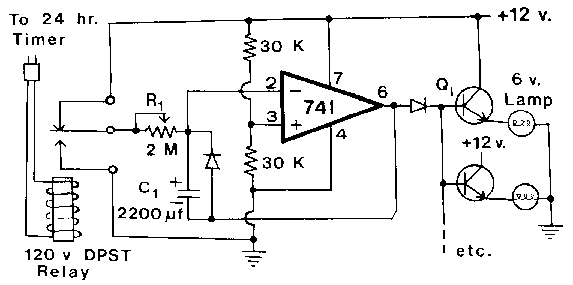
Fig. 1, Byers 1984
Fig. 1. Light intensity control for DC lamps. List of components - resistors, 0.25 watt; (2) 30 K Ohm; Potentiometers: (1) 2 M Ohm; Capacitor: (1) 2200 µf electrolytic 25 V; Transistors: (one per lamp) npn 2N3055 heat-sinked; Diodes: (3) IN4001; Integrated circuit: (1) LM741; Lamps: 6 volt, 6 candlepower; Timer: (1) standard 24-h; Relay: (1) DPST 120 V.

Chemical Ecology